• El foro de relojes de habla hispana con más tráfico de la Red, donde un reloj es algo más que un objeto que da la hora. Relojes Especiales es el punto de referencia para hablar de relojes de todas las marcas, desde Rolex hasta Seiko, alta relojería, relojes de pulsera y de bolsillo, relojería gruesa y vintages, pero también de estilográficas. Además, disponemos de un foro de compraventa donde podrás encontrar el reloj que buscas al mejor precio. Para poder participar tendrás que registrarte.

    IMPORTANTE: Asegúrate de que tu dirección de email no está en la lista Robinson (no publi), porque si lo está no podremos validar tu alta.

Cronocomparador para ajustar los relojes mecánicos

  • Iniciador del hilo Iniciador del hilo Alfredo BRB
  • Fecha de inicio Fecha de inicio
Buen domingo, compañeros.

Solo un brevísimo hilo para explicaros mi experiencia con algunas aplicaciones de cronocomparador y mis dificultades para grabar de forma limpia el sonido de mis relojes automáticos.

Tengo varios automáticos, aunque pocos de ellos los ajusto. Por ello deseaba comprarme un cronocomparador muy asequible. No me compensaba.

Recuerdo que probé algunas aplicaciones del móvil y también intenté hacerme un amplificador para mi ordenador, aplicando el amplificador de una guitarra y varios micrófonos. Fuese por mi ordenador o lo que fuese, no hubo manera con algunos relojes de sacar algo decente y usable.

Sin embargo, vi que existía un micrófono ya hecho para el PC. Adjunto el hilo. No añado pues en un primer momento este llevaba otro rumbo y solo se habla del TG Timegrapher a partir de cierto punto.


El caso es que compré esa pieza, bastante barata y ya tengo mi centro de "diagnóstico" para mis relojes.
DSCF4311.webp



Gracias, Ciclocampista.
 
  • Me gusta
Reacciones: Dupont, El Táctico, Rocker82 y 3 más
No veo el link para la compra de ese micro específico, sino los normales con pinza y por otra parte para MAC veo que te envía a otra web pero en esa web no veo el programa ni enlace de descarga. Alguien me puede ayudar por favor?
 
Última edición:
Enlace descarga:

El aparato se puede comprar en Aliexpress. No me gusta poner vendedores concretos.
 
  • Me gusta
Reacciones: patricklomar
hola buenas, te hago una pregunta, si lo comparamos con un cronocomparador como podria ser un weishi.1000, ¿hay diferencia o es prácticamente lo mismo?
 
Anda, no tenía ni idea de que vendían eso, qué micro más interesante. Pido un enlace también, no consigo encontrarlo en aliexprés.
 
  • Me gusta
Reacciones: El Táctico
  • Me gusta
Reacciones: Alfredo BRB, Ciclocampista, Monsignore y 1 persona más
hola buenas, te hago una pregunta, si lo comparamos con un cronocomparador como podria ser un weishi.1000, ¿hay diferencia o es prácticamente lo mismo?
En principio creo que saca los mismos datos. No dispongo de un cronocomparador dedicado.

Lo bueno de este micrófono es que puede servir para más cosas que solo el comparador y si se usa otra aplicación o bien se actualiza...pues no es necesario cambiar nada.

Si no hay prisa, se puede añadir a la lista de deseos y esperar a las ofertas. Por ejemplo el 11/11 suelen dar jugosos descuentos y cupones. Además hay veces que los precios fluctuan y será relativamente fácil sacarlo por debajo de 40€.
 
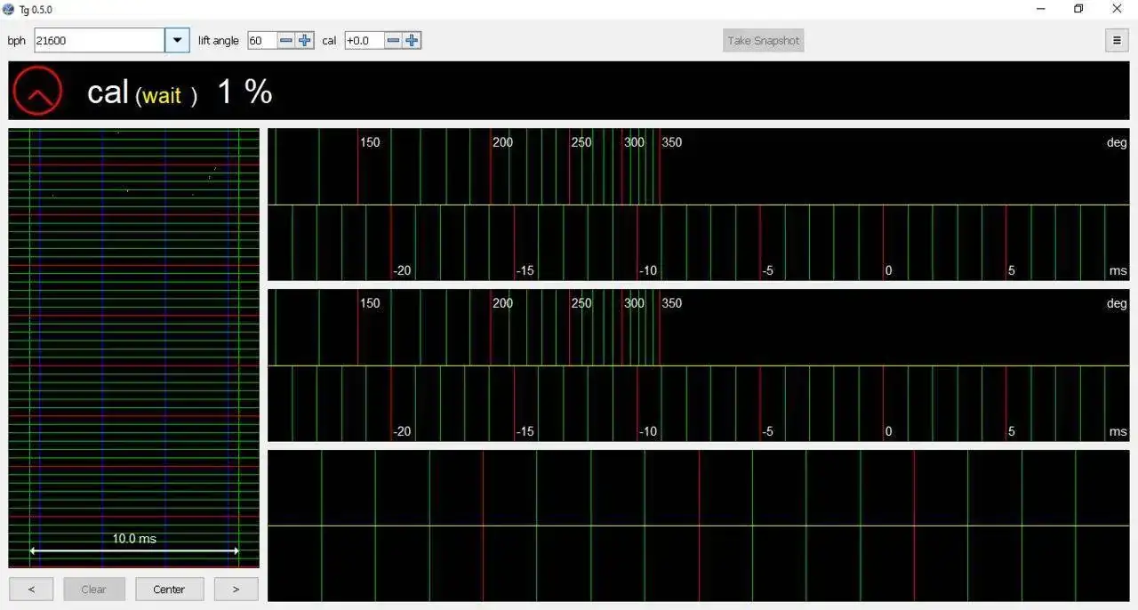
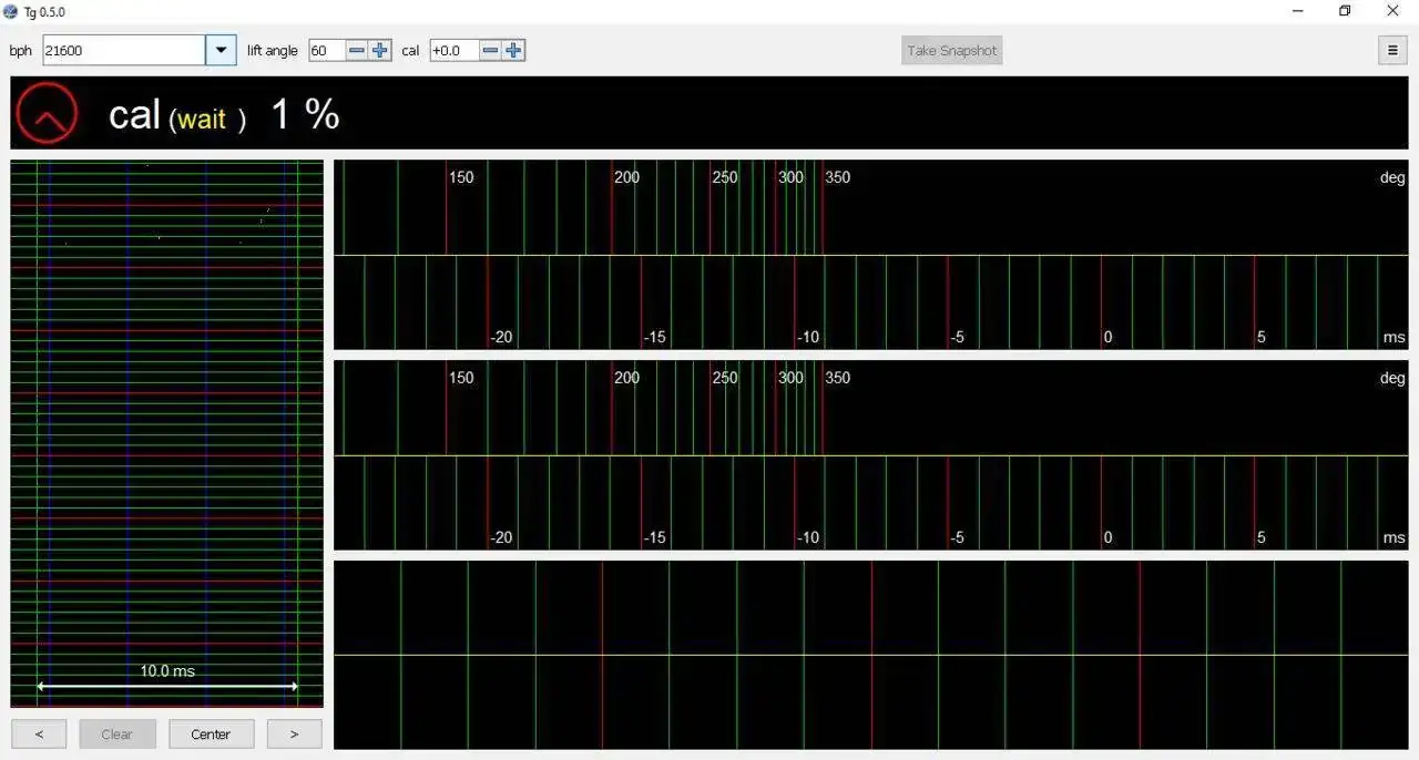
A ver si alguien veterano me puede ayudar. Conseguí descargarme el programa y ponerlo en marcha con un micro que tengo de cámara pero algo debo estar haciendo mal. El icono grande de arriba a la izquierda está más en rojo que en verde y cuando da valores me los da desorbitados, supongo que porque no está tomando bien los valores. El micro lo he probado hablando y grabando con él y funciona bien y no creo que sea peor que los que han recomendado de 3 euros de Ali... ¿que hago mal?

1654107780646.webp

1654108354395.webp
 
A ver si alguien veterano me puede ayudar. Conseguí descargarme el programa y ponerlo en marcha con un micro que tengo de cámara pero algo debo estar haciendo mal. El icono grande de arriba a la izquierda está más en rojo que en verde y cuando da valores me los da desorbitados, supongo que porque no está tomando bien los valores. El micro lo he probado hablando y grabando con él y funciona bien y no creo que sea peor que los que han recomendado de 3 euros de Ali... ¿que hago mal?
Pues... yo use el cronocomparador del móvil Android, pero tiene que estar el reloj abierto. Si no está abierto, no lo "oye". Algo me dice que por ahí va la cosa. Pero más no te puedo ayudar.
 
  • Me gusta
Reacciones: patricklomar
Pues... yo use el cronocomparador del móvil Android, pero tiene que estar el reloj abierto. Si no está abierto, no lo "oye". Algo me dice que por ahí va la cosa. Pero más no te puedo ayudar.
lo intentaré así a ver
 
A ver si alguien veterano me puede ayudar. Conseguí descargarme el programa y ponerlo en marcha con un micro que tengo de cámara pero algo debo estar haciendo mal. El icono grande de arriba a la izquierda está más en rojo que en verde y cuando da valores me los da desorbitados, supongo que porque no está tomando bien los valores. El micro lo he probado hablando y grabando con él y funciona bien y no creo que sea peor que los que han recomendado de 3 euros de Ali... ¿que hago mal?

Ver el archivos adjunto 2434615
Ver el archivos adjunto 2434618
Yo lo intenté con muchos micrófonos distintos y fue una pérdida de tiempo. Si llego a saberlo compro el micro que tengo desde el primer momento. Otra cosa distinta es que tuviera que ser inmediatamente. Se pueden esperar ofertas.
 
  • Me gusta
Reacciones: patricklomar
Yo lo intenté con muchos micrófonos distintos y fue una pérdida de tiempo. Si llego a saberlo compro el micro que tengo desde el primer momento. Otra cosa distinta es que tuviera que ser inmediatamente. Se pueden esperar ofertas.
Yo lo mismo, dinero y tiempo perdido.
Mi consejo, comprar un cronocomparador decente, aunque ya están a 190€ en Aliexpress.
 
  • Me gusta
Reacciones: patricklomar
Yo lo mismo, dinero y tiempo perdido.
Mi consejo, comprar un cronocomparador decente, aunque ya están a 190€ en Aliexpress.
Hace no mucho, se podían encontrar por unos 120€.

¡Qué asco da la subida de los impuestos y el IPC! Además en este caso habría que pagar además aranceles, con lo cual superarían los 200 y pico.
 
  • Me gusta
Reacciones: Nicolamilton
Hace no mucho, se podían encontrar por unos 120€.

¡Qué asco da la subida de los impuestos y el IPC! Además en este caso habría que pagar además aranceles, con lo cual superarían los 200 y pico.
¿No está incluido el iva que aplican evitar los aranceles?
 
¿No está incluido el iva que aplican evitar los aranceles?
Creo que no cuando el artículo vale más de 150€. Por eso yo me abstengo de pedir algo que deseo que pasa esa cifra.
 
  • Me gusta
Reacciones: Nicolamilton
Atrás
Arriba Pie